Foto 2023 Diagrama De Torno

Diagrama De Torno


Pagina de inicio


diagrama de torno

Academiadii - Diagrama eléctrico del circuito de potencia... | فيسبوك

diagrama de torno

Torno paralelo (Fuente: Fundamentos del corte de metales y de la... | Download Scientific Diagram

diagrama de torno

Coparoman: Diagrama eléctrico del circuito de potencia del torno mecánico

diagrama de torno

Academiadii - Diagrama eléctrico de la seguridad del torno... | Facebook

diagrama de torno

Trabajos con torno paralelo: ¿cuáles son riesgos principales a considerar? - AECIM. Asociación de Empresas del Metal

diagrama de torno

Diagrama Eléctrico de Un Torno | PDF

diagrama de torno

Planos para torno paralelo casero | Piezas de torno, Planos, Planos mecanicos

diagrama de torno

Maquinariasteel - Es muy importante conocer los componentes del equipo que estás trabajando para evitar mal manejo del equipo. A continuación te dejo un un diagrama de un torno y sus componentes.

diagrama de torno

Control eléctrico de torno paralelo - YouTube

diagrama de torno

Torno: Qué es, Partes, Funcionamiento y Normas de Uso

diagrama de torno

Academiadii - Diagrama eléctrico del circuito de potencia... | فيسبوك

diagrama de torno

Coparoman: Diagrama eléctrico del circuito de potencia del torno mecánico

diagrama de torno

Academiadii - Diagrama eléctrico del circuito de potencia... | فيسبوك

diagrama de torno

Diagrama Eléctrico Del Circuito de Potencia Del Torno Mecánico | PDF | Bienes manufacturados | Máquinas

diagrama de torno

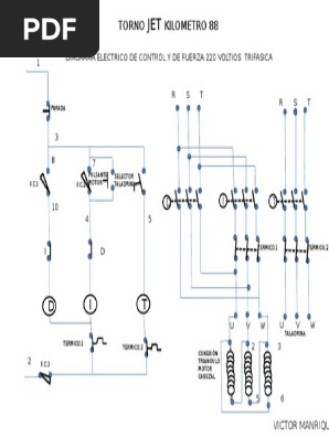
Diagrama Electrico de Control y Fuerza de Torno Jet | PDF

diagrama de torno

Coparoman: Diagrama eléctrico de control de la puesta en marcha y paro del torno mecánico

diagrama de torno

Coparoman: Diagrama eléctrico de desbloqueo y frenado del torno mecánico

diagrama de torno

Presentacion Tornos | PPT

diagrama de torno

Diagrama De Flujo Isométrico De Metalurgia Con Máquina De Perforación De Soldadura De Torno Fabricante De Acero Herrero Horno Ilustración De Vector De Cortador De Prensa De Metal Fundido Ilustraciones svg, vectoriales,

diagrama de torno

PARTES DEL TORNO - mis tornos

diagrama de torno

Presentacion Tornos | PPT

diagrama de torno

Coparoman: Diagrama eléctrico de la seguridad del torno mecánico

diagrama de torno

Qué es la máquina de torno de metal? Uso, Definición, Operaciones, Partes, Diagrama

diagrama de torno

Identifica partes del torno CNC worksheet | Live Worksheets

diagrama de torno

Figure 8 from Design and implementation of a prototype lathe milling of computer numerical control | Semantic Scholar

diagrama de torno

Fabricantes, proveedores, fábrica de tornos CNC de alta precisión HCK6130F de China - Precio bajo - HCNC

diagrama de torno

Que es torno, cual es su funcionamiento y sus partes

diagrama de torno

Diagrama de flujo.docx - Diagrama de flujo Puesto en marcha de un torno Equipo de proteccin Gafas bata y guantes Colocar el material en el plato y | Course Hero

diagrama de torno

MAQUINAS Y HERRAMIENTAS: PARTES DEL TORNO | Herramientas de torno, Torno, Portaherramientas

diagrama de torno

Diagrama de Gantt Torno | PDF

diagrama de torno

Academiadii - Diagrama eléctrico de la seguridad del torno... | Facebook

diagrama de torno

Estudio de factibilidad para la adquisición de un torno adicional (página 2)

diagrama de torno

Diagrama del proceso de la operación » Ingenieria Industrial Online

diagrama de torno

Flujo de procesamiento de CNC - YouTube

diagrama de torno

Diagrama de interação força normal x momento fletor em torno dos eixos... | Download Scientific Diagram

diagrama de torno

Torno de bricolaje para carpintería BE-TOOL 24V 96W Mini máquina de torno Juego de torno de bricolaje para carpintería con adaptador de corriente (estándar de torno en miniatura + función de pulido) :

diagrama de torno

Lab 01. partes y accesorios del torno (1) (1) | PDF

diagrama de torno

Torno mecanico Imágenes vectoriales de stock - Alamy

diagrama de torno

Diseno de tecnologia de procesamiento de torno CNC de eje multiproposito_Proceso de dibujo, Análisis estructural, Materiales, Equipo de procesamiento, Accesorios, Capacidad de corte, Secuencia de procesamiento

diagrama de torno

SISTEMA ELECTRÓNICO DE CONTROL DE UN TORNO CNC DIDÁCTICO AN ELECTRONIC CONTROL SYSTEM OF A CNC LATHE BUILT WITH EDUCATIONA

diagrama de torno

Calcular el brazo de palanca d del torno mostrado en la figu | Quizlet

diagrama de torno

Diagrama de flujo Procesos Ind - Torneado (Acabado Superficial) Retal Fresado viruta Viruta Viruta - Studocu

diagrama de torno

SISTEMA ELECTRÓNICO DE CONTROL DE UN TORNO CNC DIDÁCTICO AN ELECTRONIC CONTROL SYSTEM OF A CNC LATHE BUILT WITH EDUCATIONA

diagrama de torno

O que é máquina de torno de metal? Uso, Definição, Operações, Peças, Diagrama

diagrama de torno

Diagrama DE Bloques - trabajo para la asignatura de procesos industriales - DIAGRAMA FLUJO DE - Studocu

diagrama de torno

Torno de South Bend Partes principales de un gráfico de torno Torno de maquinista Cartel de la tienda de herramientas Old School Vintage Shop Class Blueprint - Etsy México

diagrama de torno

TEC2: 11.4.1.- CONJUNTO MANIVELA-TORNO

diagrama de torno

Torno en AutoCAD | Descargar CAD gratis (120.91 KB) | Bibliocad

diagrama de torno

Cómo Funcionan los Diagramas de Flujo? | Kanban Tool

diagrama de torno

DOC) Deg.ACTIVIDAD 1. DIAGRAMAS DOP | jeanet canaza - Academia.edu

diagrama de torno

ESQUEMA DE COMANDO PAINEL DE TORNO MECÂNICO CONFORME O VÍDEO. – Ivo Eletro

diagrama de torno

Diagrama de blocos do modelo mecânico. | Download Scientific Diagram

diagrama de torno

Coparoman: Diagrama eléctrico de la seguridad del torno mecánico

diagrama de torno

Qué son los diagramas de tuberías e instrumentación? | Lucidchart

diagrama de torno

Diagrama de Recorrido | PDF

diagrama de torno

Diagrama del proceso de la operación » Ingenieria Industrial Online

diagrama de torno

Infografia torno | PPT

diagrama de torno

Trp-614 Torno paralelo universal marca TOS - YouTube

diagrama de torno

Planos para torno paralelo casero | Torno casero, Torno de madera, Piezas de torno

diagrama de torno

Diagrama du flujo para la elaboracion de un tornillo y su tuerca.docx - Proceso para la elaboración de un tornillo y su | Course Hero

diagrama de torno

Figura A.1. Diagrama de flujo de la aplicación FuzzyLog. | Download Scientific Diagram

diagrama de torno

Registrar Proceso de torneado (torno CNC) - ppt descargar

diagrama de torno

SOLUTION: Partes de un torno paralelo - Studypool

diagrama de torno

Informacion completa de torno | PPT

diagrama de torno

Academiadii - Diagrama eléctrico de la seguridad del torno... | Facebook

diagrama de torno

Como funciona un tablero de control de un Torno Trifásico. - YouTube

diagrama de torno

Curso: Taller 3: Máquinas-Herramientas | FING

diagrama de torno

Diagrama CAUSA EFECTO (Torno CNC) | PDF

diagrama de torno

Miyano JNC35/45 Torno CNC 3T Eléctrico Diagrama Cableado Esquema | eBay

diagrama de torno

Diagrama de Ishikawa — Steemit

diagrama de torno

Equipe de negócios de profissionais colaborando em torno de um quadro branco mostrando diagrama de planejamento estratégico e objetivo generative ai technology | Foto Premium

diagrama de torno

Coparoman: Diagrama eléctrico del circuito de potencia del torno mecánico

diagrama de torno

Diagrama de fluxo para o processo de segmentação de imagens. Fonte:... | Download Scientific Diagram

diagrama de torno

Apuntes de torno y accesorios | PDF

diagrama de torno

Máquina torno diagrama de bloques de alta precisión con accesorios - Alibaba.com

diagrama de torno

SOLUTION: Torno - Studypool

diagrama de torno

Resultado de imagen para plano de torno casero para madera | Lathe, Ferramentas de madeira, Caixa de ferramenta de madeira

diagrama de torno

Portaherramientas de Torno BIKT R/L SDV123 Interior

diagrama de torno

Clarke 6500671 Manual de instrucciones de torno de madera de 17 pulgadas

diagrama de torno

Torno Bricolaje Torno de carpintería Máquina de molienda de pulido Taladro de pulido Herramientas de rotación 150W Mini Torpe de tornos Máquina Buda Pearl Torno Para mini partes de precisión. : Amazon.es:

diagrama de torno

CLAUSING 1300, 1301 Metal Lathe Operator & Parts Manual Serial Nos 131523 and up | eBay

diagrama de torno

Registrar Proceso de torneado (torno CNC) - ppt descargar

diagrama de torno

Análisis estructurado - Wikipedia, la enciclopedia libre

diagrama de torno

3dcadportal.com - Desde CAD al mecanizado utilizando SURFCAM 2015

diagrama de torno

Mecanizar sin defectos, visión global - (global)

diagrama de torno

Diagrama de flujo de procesos

diagrama de torno

Diagrama de flujo - trabajo colaborativo - Inspección del plano y se regresa Inspección del plano y - Studocu

diagrama de torno

PRINCIPALES MÁQUINAS DE TALLER

diagrama de torno

Coparoman: Diagrama eléctrico del circuito de potencia del torno mecánico

diagrama de torno

SET TORRETA DE CAMBIO RÁPIDO TIPO ITALIANO PARA TORNO 250-300 DE VOLTEO REF: VTP-AR-AP - Mctools

diagrama de torno

Revista estadounidense de ingeniería y ferrocarril . TORNO DE DIECISÉIS PULGADAS CON NUEVO DISPOSITIVO DE ALIMENTACIÓN CON ENGRANAJES. CINCINNATI DIECISÉIS PULGADAS TORNO CON DISPOSITIVO DE ALIMENTACIÓN NEWGEARED. Aquellos que están familiarizados

diagrama de torno

Círculo Plantilla De Infografía. Diagrama De Red En Torno A, Gráfica, Presentación, Gráfico. Conectado Con 8 Concepto De Burbujas, Las Opciones, Los Pasos, Las Partes, Campos De Texto, Procesos. Diseño Del Vector

diagrama de torno

Diagrama de cableado del alambre del torno de la máquina de bobina, tyer, cable de cables eléctricos, transformador png | PNGEgg

diagrama de torno

Diagrama de Flujo 1 | PDF

diagrama de torno

Resolución de diagramas de bloques ::.

diagrama de torno

La casa a través del comedor: Arquitectura en torno a la mesa | ArchDaily México

diagrama de torno

Cómo Funciona Un Torno De Mecanizado

diagrama de torno

3.5.3.- Jerarquía de operaciones en el torneado. | DPMCM01.- Procesos de mecanizado por arranque de viruta.

diagrama de torno

Calcular el brazo de palanca d del torno mostrado en la figu | Quizlet

diagrama de torno

Lab 01. partes y accesorios del torno (1) (1) | PDF